Сибконтакт - инверторы и ИБП
Компания «СибКонтакт» — один из немногих по настоящему отечественных производителей оборудования для автономного и резервного электропитания. Компания более 10 лет разрабатывает и продает электротехническую продукцию. Инженеры компании обладают значительным опытом разработки, серийного производства и сертификации бесперебойных систем электроснабжения. Производство осуществляется на собственных площадках в г. Новосибирске и г. Бердске с постоянным контролем качества.
Представители «СибКонтакт» работают более, чем в 70 городах России, в Беларуси, Казахстане. Открыта широкая сеть сервисных центров.
Ассортимент компании состоит из более чем 40 наименований продукции:
- инверторы (преобразователи напряжения DC-AC) мощностью от 300 Вт до 6000 Вт с входным напряжением от 12 В до 110 В; инверторы для самолетов и вертолетов;
- источники бесперебойного питания on-line off-line
- конвертеры (преобразователи напряжения DC-DC)
- зарядные устройства для аккумуляторов
- солнечные контроллеры
- BMS (СКУ)
- высоковольтные источники питания.
Сортировать:
ИБПС-12-600NM OnLine
Настраиваемый по току и напряжению On-Line ИБП с чистым синусом на выходе
Тип ИБП:On Line
Номинальная мощность ИБП, ВА:600
Цена по запросу
В наличии
Вавилова 9А стр 6.: Уточняйте
Кантемировская ул. 58 (для юр.лиц ): Уточняйте
Оптовый склад: В наличии
ИБПС СибРезерв 1000 OffLine
Мощность 1000 Вт. ИБП Off-Line с током заряда АКБ 10 Ампер.
Тип ИБП:Off Line
Номинальная мощность ИБП, ВА:1000
Цена по запросу
В наличии
Вавилова 9А стр 6.: Уточняйте
Кантемировская ул. 58 (для юр.лиц ): Уточняйте
Оптовый склад: В наличии
ИБПС-24-2000
Мощный резервный Off-Line ИБП с высокой перегрузочной способностью. Для работы нужны 2 АКБ по 12 в.
Тип ИБП:Off Line
Номинальная мощность ИБП, ВА:2000
Цена по запросу
В наличии
Вавилова 9А стр 6.: Уточняйте
Кантемировская ул. 58 (для юр.лиц ): Уточняйте
Оптовый склад: В наличии
ИС-12-1500У инвертор DC-AC на 1.5 кВт
мощность 1500 Вт (max: 3000 Вт ) чистый синус.
Номинальная мощность ИБП, ВА:1500
Активная мощность ИБП, Вт:1500 Вт
Цена по запросу
В наличии
Вавилова 9А стр 6.: Уточняйте
Кантемировская ул. 58 (для юр.лиц ): Уточняйте
Оптовый склад: В наличии
ИС-12-4500У инвертор DC-AC на 4.5 кВт
мощность 4500 Вт (max: 9000 Вт ) чистый синус.
Номинальная мощность ИБП, ВА:4500
Активная мощность ИБП, Вт:4500 Вт
Цена по запросу
Осталось несколько штук
Вавилова 9А стр 6.: Уточняйте
Кантемировская ул. 58 (для юр.лиц ): Уточняйте
Оптовый склад: Осталось несколько штук
СибВольт 3012 инвертор DC-AC, 12В/3000Вт
мощность 3000 Вт (max: 6000 Вт ) чистый синус.
Номинальная мощность ИБП, ВА:3000
Активная мощность ИБП, Вт:3000 Вт
Цена по запросу
В наличии
Вавилова 9А стр 6.: Уточняйте
Кантемировская ул. 58 (для юр.лиц ): Уточняйте
Оптовый склад: В наличии
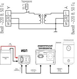
Разделительный трансформатор Сибконтакт
для гальванической развязки котлов.
Цена по запросу
В наличии
Вавилова 9А стр 6.: Уточняйте
Кантемировская ул. 58 (для юр.лиц ): Уточняйте
Оптовый склад: В наличии
ИС-24-3000У инвертор на 3 кВт
инвертор 24 -220, 3 кВт (max: 6 кВт) чистый синус.
Номинальная мощность ИБП, ВА:3000
Активная мощность ИБП, Вт:3000 Вт
Цена по запросу
В наличии
Вавилова 9А стр 6.: Уточняйте
Кантемировская ул. 58 (для юр.лиц ): Уточняйте
Оптовый склад: В наличии
ИС2-12-300 инвертор DC-AC
мощность 300 Вт (max: 600вт ) чистый синус.
Номинальная мощность ИБП, ВА:300
Активная мощность ИБП, Вт:300 Вт
6 950 руб.
В наличии
Вавилова 9А стр 6.: Осталась 1 шт.
Кантемировская ул. 58 (для юр.лиц ): Уточняйте
Оптовый склад: В наличии
ИС3-12-600M3 инвертор DC-AC
мощность 600 Вт (max: 1000вт ) чистый синус.
Номинальная мощность ИБП, ВА:600
Активная мощность ИБП, Вт:600 Вт
10 500 руб.
В наличии
Вавилова 9А стр 6.: Осталось несколько штук
Кантемировская ул. 58 (для юр.лиц ): Уточняйте
Оптовый склад: В наличии
ИБПС СибРезерв 300 OffLine
Мощность 300 Вт. ИБП Off-Line с током заряда АКБ 10 Ампер.
Тип ИБП:Off Line
Номинальная мощность ИБП, ВА:300
15 600 руб.17 600 руб.-11%
В наличии
Вавилова 9А стр 6.: Осталась 1 шт.
Кантемировская ул. 58 (для юр.лиц ): Уточняйте
Оптовый склад: В наличии
СибВольт 1512У инвертор DC-AC, 12В/1500Вт
мощность 1500 Вт (max: 3000 Вт ) чистый синус.
Номинальная мощность ИБП, ВА:1500
Активная мощность ИБП, Вт:1500 Вт
25 800 руб.
В наличии
Вавилова 9А стр 6.: В наличии
Кантемировская ул. 58 (для юр.лиц ): Уточняйте
Оптовый склад: В наличии
СибВольт 1524 инвертор DC-AC, 24В/ 1500 Вт
мощность 1500 Вт (max: 3000 Вт ) чистый синус.
Номинальная мощность ИБП, ВА:1500
Активная мощность ИБП, Вт:1500 Вт
29 500 руб.
В наличии
Вавилова 9А стр 6.: Осталась 1 шт.
Кантемировская ул. 58 (для юр.лиц ): Уточняйте
Оптовый склад: В наличии
ИС-12-3000У инвертор на 3 кВт
инвертор 12 -220, 3 кВт (max: 6 кВт) чистый синус.
Номинальная мощность ИБП, ВА:3000
Активная мощность ИБП, Вт:3000 Вт
35 600 руб.
В наличии
Вавилова 9А стр 6.: Осталась 1 шт.
Кантемировская ул. 58 (для юр.лиц ): Уточняйте
Оптовый склад: В наличии
СибВольт 4024У инвертор DC-AC, 24В/4000Вт
мощность 4000 Вт (max: 6000 Вт ) чистый синус.
Номинальная мощность ИБП, ВА:4000
Активная мощность ИБП, Вт:4000 Вт
Цена по запросу
Уточняйте
Вавилова 9А стр 6.: Уточняйте
Кантемировская ул. 58 (для юр.лиц ): Уточняйте
Оптовый склад: Уточняйте
ИС1-24-6000У инвертор DC-AC на 6 кВт
мощность 6000 Вт (max: 9000 Вт ) чистый синус ЖК табло.
Номинальная мощность ИБП, ВА:6000
Активная мощность ИБП, Вт:6000 Вт
Цена по запросу
Уточняйте
Вавилова 9А стр 6.: Уточняйте
Кантемировская ул. 58 (для юр.лиц ): Уточняйте
Оптовый склад: Уточняйте
СибВольт 3024У инвертор, 24В/3000Вт
инвертор 24 -220, 3 кВт (max: 6 кВт) чистый синус.
Номинальная мощность ИБП, ВА:3000
Активная мощность ИБП, Вт:3000 Вт
Цена по запросу
Уточняйте
Вавилова 9А стр 6.: Уточняйте
Кантемировская ул. 58 (для юр.лиц ): Уточняйте
Оптовый склад: Уточняйте
ИС-12-3000М4 инвертор на 3 кВт
инвертор 12 -220, 3 кВт (max: 6 кВт) чистый синус.
Номинальная мощность ИБП, ВА:3000
Активная мощность ИБП, Вт:3000 Вт
Цена по запросу
Уточняйте
Вавилова 9А стр 6.: Уточняйте
Кантемировская ул. 58 (для юр.лиц ): Уточняйте
Оптовый склад: Уточняйте
ИС3-24-600M3 инвертор DC-AC
мощность 600 Вт (max: 1000вт ) чистый синус.
Номинальная мощность ИБП, ВА:600
Активная мощность ИБП, Вт:600 Вт
11 000 руб.
Уточняйте
Вавилова 9А стр 6.: Осталось несколько штук
Кантемировская ул. 58 (для юр.лиц ): Уточняйте
Оптовый склад: В наличии


















































































